Smart Home

Sat 13 January 2018

Проект умного дома начинался 5 лет назад и сейчас, кажется, что он созрел достаточно, чтобы о нём можно было написать.

Цели на тот момент были туманными, но было однозначно ясно, что на этапе строительства необходимо предусмотреть расположение всего, что сдвинуть с места уже не получится: провода питания, котёл, трубы отопления …

Read More

Станок для сверления плат

Tue 21 January 2014

Началось всё с того, что я делал очередную плату. В этот раз нужно было монтировать элемент у которого больше 20-ти ножек. Просверлил я эти ~20 отверстий как всегда на коленке. Но вставить в криво просверленные отверстия элемент с 20-ю ножками чуть сложнее, чем элемент с 2-мя - 3-мя. К тому же …

Read More

Wheel speed display

Thu 11 June 2015

На работе был стенд для испытаний, который представлял из себя вращающееся колесо диаметром около 1м. Для проведения испытаний, нам необходимо было знать его скорость. И для точного определения скорости приходилось записывать файл, потом обрабатывать. Быстро узнать текущую скорость было невозможно.

Я сделал устройство, которое считает скорость за каждый оборот колеса …

Read More

3D-печать. Изделие №619

Fri 24 January 2014

Хотел бы рассказать о наверное самой символичной штуке, которую делал. Что она символизирует решать вам, а выглядит так:

None

Модели двух составных частей ... (как же ЭТО назвать.. вот!, пусть будет "Изделие №619") были нарисованы в SolidWorks 2012. Инструменты, которые использовались при создании модели разбирать не буду. Ключевые слова от которых стоит …

Read More

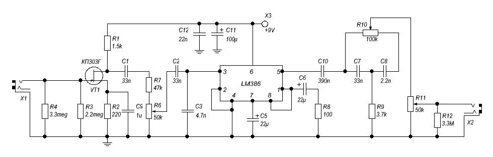
Гитарная примочка

Fri 26 November 2010

Статья, на базе которой делалось устройство: link

Электрическая схема устройства: None

Перед тем как делать устройство я протестировал схему: None

None

На тот момент в ходу был ЛУТ (лазерно-утюжная технология) и эту плату я изготавливал, используя его.

Заготовка для переноса рисунка:

None

Далее показан процесс травления платы в хлорном железе. Выглядело это жутковато, в …

Read More

Модернизация корпуса под новую материнскую плату Asus Z87-A

Fri 25 March 2016

Совсем недавно обзавёлся новым стационарным компом. Ну как "новым".. что-то куплено на Avito, что-то в интернет-магазинах. Комп был собран на коленке (а в реале на коробке) и работает.

Пришла пора обзавестись корпусом! Полез опять же на Avito, потому что, во-первых, хотелось хороший корпус, а во-вторых недорогой. Под "хорошим" я понимаю …

Read More
Page 2 of 4

« Prev Next »